View Article

Abstract

Nine fast-dissolving film formulations of Losartan Potassium were successfully developed using the solvent casting method, incorporating various grades of Hydroxypropyl Methylcellulose (HPMC E5, E15, and E50) along with film modifiers to improve mechanical and physicochemical properties. The films were uniformly thin, flexible, elastic, smooth, and transparent, with consistent weights ranging from 16.14 ± 0.192 mg to 17.31 ± 0.313 mg, indicating reproducible formulation. Mechanical evaluation showed folding endurance values exceeding 150 folds across all formulations, confirming excellent flexibility and durability. Drug content analysis demonstrated uniform distribution of Losartan Potassium in the polymer matrix. In vitro dissolution studies revealed rapid drug release, with over 90% released within 5 minutes for all formulations. Notably, formulation F2 exhibited the highest release at 98.73% within the same timeframe. Based on drug release, uniformity, and disintegration performance, F2 was identified as the most promising formulation. Stability testing under accelerated conditions (40°C and 75% RH) showed no significant changes, confirming the films' physical and chemical stability. A comparative study with the marketed tablet LOSAR-25 highlighted the superior performance of F2, which released 98.73% of the drug in 4 minutes, while LOSAR-25 achieved only 90.76% release in 30 minutes. These findings suggest the developed films, particularly F2, offer rapid onset of action and improved drug delivery over conventional tablets. However, further in vivo studies are needed to confirm clinical efficacy and therapeutic advantage.

Keywords

Fast dissolving, Films, Folding endurance, In vitro release, Stability studies

Introduction

Oral administration is the most commonly accepted method for delivering therapeutic agents due to its low cost and ease of use, leading to high patient compliance. Approximately 60% of all dosage forms are oral solids, with tablets and capsules being the most prevalent. However, certain patient groups—such as geriatric, paediatric, and dysphagic individuals—often face challenges when swallowing these solid dosage forms.? Studies have highlighted that swallowing difficulties, known as dysphagia, are particularly prevalent among older adults. A meta-analysis found that 33.2% of nursing home residents experience swallowing disorders, with variations across regions and assessment methods. Similarly, research indicates that 26% of patients encounter difficulties swallowing tablets, with issues related to tablet size, shape, and taste being the most common complaints.?

These challenges are not limited to the elderly; paediatric patients also often struggle with swallowing pills, leading to reduced medication adherence. Factors such as tablet dimensions, palatability, and appearance significantly influence the acceptance of oral solid dosage forms among older adults. Innovative dosage forms, such as sprinkle formulations, orally disintegrating tablets (ODTs), and transformative dosage forms, have been developed to enhance patient compliance. Sprinkle formulations consist of granules that can be mixed with soft food, making them easier to swallow. ODTs dissolve quickly in the mouth without the need for water, benefiting patients with swallowing difficulties. Transformative dosage forms change from solid to semi-solid or liquid upon contact with water, further aiding those with dysphagia.1 ?

In summary, while oral solid dosage forms are widely used, it's essential to consider the unique needs of patients who experience swallowing difficulties. Developing and prescribing patient-centric formulations can significantly improve medication adherence and overall health outcomes?Fast-dissolving film systems present a promising alternative to traditional tablets, capsules, and syrups, especially for paediatric and geriatric patients who often experience difficulties swallowing conventional oral solid dosage forms. These films are designed to dissolve rapidly in the saliva, facilitating swift drug absorption and potentially enhancing bioavailability. This approach aims to address swallowing challenges, thereby improving patient compliance with prescribed therapies.?

Several studies have investigated the development of fast-dissolving oral films containing Losartan Potassium, an antihypertensive medication. For instance, research has demonstrated that such films can achieve rapid dissolution, leading to a quick onset of action in hypertension treatment. These formulations have been prepared using various polymers, including Hydroxypropyl Methylcellulose (HPMC), Polyvinyl Alcohol (PVA), and Polyvinylpyrrolidone (PVP), employing the solvent casting method. The films have shown favourable characteristics such as smooth surfaces, appropriate folding endurance, and satisfactory drug release profiles, with up to 96% of the drug released within 5 minutes. Moreover, the inclusion of super disintegrants like Carboxymethyl Starch Sodium (CSS) and Crospovidone (CP) has been found to enhance the disintegration and dissolution rates of these films. For example, formulations containing 6% CSS have demonstrated disintegration times around 32 to 36 seconds and released 50% of the drug within approximately 8 to 10 minutes. ?

In summary, the development of fast mouth dissolving films containing Losartan Potassium holds significant potential for improving therapeutic outcomes in patients with swallowing difficulties. These formulations can offer rapid drug release, ease of administration, and enhanced patient compliance, particularly among paediatric and geriatric populations. However, further research and clinical evaluations are essential to fully establish their efficacy and safety profiles. Mouth dissolving films (MDFs), also known as oral thin films, are an innovative drug delivery system designed to rapidly disintegrate and dissolve in the oral cavity without the need for water. These films are thin, flexible strips that contain an active pharmaceutical ingredient (API) along with film-forming polymers, plasticizers, sweeteners, and flavouring agents to enhance patient acceptability and compliance. MDFs are especially beneficial for paediatric, geriatric, and dysphagia patients who experience difficulty in swallowing conventional dosage forms like tablets or capsules.

Once placed on the tongue, the film dissolves within seconds, releasing the drug which is then absorbed either through the oral mucosa or swallowed for gastrointestinal absorption. This delivery system offers several advantages including a rapid onset of action, improved bioavailability in some cases, and ease of administration without water. Common methods of preparation include solvent casting and hot-melt extrusion. MDFs are evaluated for parameters such as film thickness, drug content uniformity, disintegration time, mechanical strength, and in vitro drug release. Due to their versatility and convenience, mouth dissolving films are gaining popularity in the pharmaceutical industry for delivering a wide range of therapeutic agents including analgesics, antihistamines, antiemetic’s, and cardiovascular drugs.2

Advantages:

  1. Rapid Onset of Action: Losartan MDF quickly dissolves in the mouth and begins absorption, which may help in faster control of blood pressure compared to conventional tablets.
  2. Improved Patient Compliance: Especially beneficial for elderly patients who often have difficulty swallowing tablets and suffer from hypertension.
  3. No Need for Water: Convenient for on-the-go use, especially in emergency or travel situations.
  4. Bypasses First-Pass Metabolism (Partially): Some absorption may occur through the oral mucosa, reducing first-pass hepatic metabolism and potentially improving bioavailability.
  5. Dose Accuracy and Consistency: Each film contains a precise dose of Losartan, ensuring consistent therapeutic effects.
  6. Reduced Risk of Choking: The thin film dissolves quickly, making it safer for patients with swallowing difficulties.
  7. Ease of Administration: Ideal for patients with dysphagia or those who resist traditional oral dosage forms, such as children or geriatric patients.
  8. Portable and Discreet: Thin and easy to carry, Losartan MDFs can be administered discreetly without the need for water or special handling.

Disadvantages:

  1. Limited Drug Load Capacity: Only a small amount of Losartan can be incorporated into the film due to size and thickness constraints, making it unsuitable for high-dose formulations.
  2. Stability Issues: Losartan MDFs may be sensitive to environmental factors like moisture, heat, and light, requiring special packaging to maintain stability.
  3. Taste Masking Challenges: Losartan has a bitter taste, and effective taste masking is essential, which may complicate formulation and increase cost.
  4. Manufacturing Complexity: Production of uniform, defect-free films requires specialized equipment and strict process control, making manufacturing more complex than conventional tablets.
  5. Mechanical Strength Limitations: Films may be prone to tearing or breaking during handling and packaging if not properly formulated with the right polymers and plasticizers.
  6. Limited Mucosal Absorption: Although some drug absorption may occur through the oral mucosa, a significant portion may still be swallowed and undergo first-pass metabolism, limiting the bioavailability advantage.
  7. Cost of Production: Compared to traditional tablets, the overall cost of developing and producing MDFs can be higher due to specialized ingredients and processes.

Applications:

  1. Management of Hypertension: For quick and convenient control of high blood pressure.
  2. Treatment of Heart Failure: Supports easier administration in chronic therapy.
  3. Geriatric Patients: Ideal for elderly individuals with swallowing difficulties.
  4. Paediatric Use: Useful for children who struggle with swallowing tablets.
  5. Emergency Situations: Enables rapid administration without water.
  6. Dysphagia Patients: Beneficial for individuals with difficulty in swallowing.
  7. Improved Patient Compliance: Enhances adherence in patients who dislike or forget to take tablets.
  8. Travel and Remote Use: Convenient for patients in areas where water is not easily available.
  9. Home-based Care: Suitable for use in home settings, especially for chronic patients.

Side effects:

  1. Local Irritation: Burning or tingling sensation in the mouth or on the tongue due to certain excipients or flavours.
  2. Allergic Reactions: Rare hypersensitivity to polymers, plasticizers, sweeteners, or colouring agents.
  3. Bitter or Unpleasant Taste: If taste masking is inadequate, it may cause discomfort or nausea.
  4. Dry Mouth or Increased Salivation: Some patients may experience altered saliva production.
  5. Gastrointestinal Issues: If swallowed, the drug may still cause typical GI side effects (e.g., nausea, stomach upset), depending on the active ingredient.
  6. Mucosal Damage: In rare cases, repeated use may lead to minor oral mucosa irritation or ulcers.
  7. Drug-Specific Side Effects: Each MDF will also carry the side effects of the drug it delivers (e.g., Losartan may cause dizziness, fatigue, or low blood pressure).

Uses:

  1. Used to treat high blood pressure (hypertension) for quick and convenient drug administration.
  2. Helps reduce the risk of stroke and heart attack by lowering blood pressure effectively.
  3. Used in the management of heart failure, improving heart function and reducing symptoms.
  4. Provides an alternative dosage form for patients who have difficulty swallowing conventional tablets.
  5. Used for better patient compliance, especially in elderly, paediatric, or bedridden patients.
  6. May be used in hypertensive emergencies where fast disintegration and action are needed.
  7. Helpful in outpatient or home care settings where water is not always available.

Drug profile:

  • Losartan Potassium
  • Class - angiotensin II receptor blockers
  • Chemical Formula -C22H23ClN6O
  • Brand Names- Cosart, Cardisol, Losartas, Cozartan, Losaline, Zarnat

MATERIALS AND METHODS:

Materials:

Losartan Potassium and Hydroxypropyl Methylcellulose (HPMC) grades E5, E15, and E50 were procured from Vishal Chem Products, located in Thane, India. Other reagents used in the study, including polyethylene glycol, Tween 80, xanthan gum, citric acid, and sodium saccharin, sodium starch Glycolate, were sourced from Shivajirao S. Jondhle College of Pharmacy, India.3

Methods:

Formulation of Mouth dissolving film of losartan potassium

Preparation of mouth-Dissolving Films Containing Losartan Potassium:

  1. Polymer Solution Preparation4:
  • Hydroxypropyl Methylcellulose (HPMC) grades E5, E15, and E50 were accurately weighed and separately soaked in distilled water.?
  1. Drug Solution Preparation5:
  • Losartan Potassium was weighed and dissolved in a sufficient quantity of distilled water to obtain a homogeneous solution.?
  1. Film Formation6:
  • The homogenized solution was poured into Petri dishes, ensuring an even distribution.
  • A glass funnel, plugged with cotton at the stem, was inverted over each Petri dish to allow controlled evaporation of the solvent.?
  • The setup was left at room temperature for 24 hours to ensure complete solvent evaporation.?

4. Film Harvesting and Storage7:

  • After complete evaporation, flexible films were obtained by peeling them from the Petri dishes.?
  • Each film was cut into uniform squares measuring 2 cm × 2 cm.?
  • The films were then wrapped in aluminium foil and stored in a desiccator to maintain dryness and prevent moisture absorption.’

5. Incorporation of Excipients8:

  • To the drug solution, plasticizers (such as polyethylene glycol), sodium saccharin (a sweetener), citric acid (a pH adjuster) and Sodium Starch Glycolate (Superdisintegrant) were added.? The mixture was thoroughly mixed to obtain a homogeneous solution.

Table 1. Formulation of mouth dissolving films of losartan potassium

Ingredients

F1

F2

F3

F4

F5

F6

F7

F8

F9

Losartan Potassium (mg)

400

400

400

400

400

400

400

400

400

HPMC E5 (mg)

300

450

600

-

-

-

-

-

-

HPMC E15 (mg)

-

-

-

300

450

600

-

-

-

HPMC E50 (mg)

-

-

-

-

-

-

300

450

600

PEG 400 (mL)

1.5

1.5

1.5

1.5

1.5

1.5

1.5

1.5

1.5

Tween 80 (mL)

0.75

0.75

0.75

0.75

0.75

0.75

0.75

0.75

0.75

Citric acid (mg)

45

45

45

45

45

45

45

45

45

Xanthan Gum (mg)

30

30

30

30

30

30

30

30

30

Saccharin Sodium (mg)

7.5

7.5

7.5

7.5

7.5

7.5

7.5

7.5

7.5

Sodium Starch Glycolate (mg)

3.2

3.4

3.8

3.2

3.4

3.8

3.2

3.4

3.8

Distilled water (mL)

15

15

15

15

15

15

15

15

15

Evaluation:

  • Physical Appearance and Morphology of Prepared Films

The prepared films were examined visually to assess their color, clarity, flexibility, and surface smoothness. Their morphology was analysed using a Scanning Electron Microscope (SEM)9.

  • Weight variation

The weight of fast-dissolving films (2×2 cm² in size) was measured to ensure consistency. Three different pieces from each batch were weighed using an electronic balance. The average weight was calculated to determine the typical weight of the films, and the standard deviation was computed to assess how much the weights varied from the average. A low standard deviation would indicate that the film weights are consistently close to the average, while a high standard deviation would suggest more variability10. ?

  • Thickness:

The thickness of a 2×2 cm² film was measured using a screw gauge, a precise instrument for measuring small dimensions. The measurement was taken at three different spots on the film to ensure accuracy. The screw gauge consists of a U-shaped frame with a spindle and a thimble; rotating the thimble moves the spindle, allowing for precise measurements. The average of these three measurements was then calculated to determine the film's typical thickness11.

  • Surface ph. :

A method for measuring the surface pH of fast-dissolving films to assess potential irritation risks when the films are used in the mouth. To perform this test, a 2×2 cm² film is placed in a Petri dish and moistened with 5 ml of distilled water. After allowing the film to swell at room temperature for 30 minutes, the surface pH is measured using a digital pH meter by bringing the electrode into contact with the film's surface and waiting for the reading to stabilize. This procedure helps determine if the film's pH is within a range that would be safe and non-irritating to the oral mucosa upon administration12.

  • Folding endurances

Folding endurance measures the flexibility and durability of a film by determining how many times it can be folded at the same spot before breaking or cracking. To assess this, a 2×2 cm² film is repeatedly folded at the same location until it breaks. The number of folds the film withstands before breaking indicates its folding endurance value. Higher folding endurance values suggest greater mechanical strength and flexibility, which are important for the film's performance during handling and use13. ?

  • Percentage moisture loss

The percentage of moisture loss was determined by placing the fast-dissolving films in a desiccator containing anhydrous calcium chloride. After 72 hours, the films were removed and re-weighed. The percentage moisture loss was calculated using the formula

Moisture loss (%) = initial weight – final weight

                                               Initial weight ×100

  • Drug content

To determine the drug content in fast-dissolving films, a 4 cm² piece of the film is dissolved in 100 ml of phosphate buffer (pH 6.8) using a magnetic stirrer for 30 minutes. The resulting solution is then analysed using a spectrophotometer at 206 nm. Measurements are taken in triplicate, and the average drug content is calculated to ensure accuracy and reliability14.

  • Tensile strength and percentage elongation

Tensile strength and percentage elongation are important mechanical properties that assess the film's resistance to breaking under tension and its ability to stretch, respectively. To evaluate these properties, a standardized testing method, such as ASTM D882, is typically used. This involves applying a uniaxial tensile force to the film and measuring the force required to break the film (tensile strength) and the extent to which the film stretches before breaking (percentage elongation). These measurements provide valuable information about the film's suitability for its intended application15.?

Tensile strength =Break force/ab (1+ b ΔL/L)

A, b, L = width, thickness and length of the strip.

ΔL = elongation at break

The percent of elongation was mainly based on tensile strength of films. It was calculated by measuring the increase in length of the film after tensile strength using the formula,

Elongation (%) = Increase in length

                           Original length × 100

  • In vitro disintegration time

?In vitro disintegration time refers to the duration it takes for a film to break down when exposed to a specific medium, simulating conditions in the human mouth. This parameter is crucial for ensuring that oral films dissolve appropriately, enhancing patient compliance and effectiveness16.?

  • In vitro drug release

The drug release study was conducted using a USP dissolution apparatus (Basket Type XXIV). The procedure involved 900 ml of phosphate buffer (pH 6.8), maintained at 37 ±0.5 °C and stirred at 50 rpm. At specific time intervals, 5 ml samples were withdrawn and replaced with an equal volume of fresh buffer solution17. These samples were filtered using Whatman filter paper, diluted with buffer, and analysed using a UV spectrophotometer at 206 nm. The mechanism of drug release was evaluated by fitting the release data to the Higuchi and Korsmeyer-Peppas models18.

RESULT AND DISCUSSION:

A total of nine formulations were developed and evaluated based on various parameters. Among them, formulation F2 exhibited the best results. The appearance of the films was assessed visually to determine whether they were transparent or opaque. The prepared films were found to be thin, flexible, and elastic and smooth (Figure 1). The weight of the films varied from 15.87 ± 0.102 to 17.31 ± 0.313, indicating no significant variation among the different formulations (Table 2). This confirmed the uniformity of the films.

Table 2: Weight uniformity of formulation

Formulation Code

Weight Uniformity (mg)

F1

15.96 ± 0.116

F2

15.87 ± 0.102

F3

15.98 ± 0.128

F4

16.14 ± 0.192

F5

16.30 ± 0.208

F6

16.28 ± 0.214

F7

16.80 ± 0.298

F8

17.10 ± 0.301

F9

17.31 ± 0.313

Figure 1:- Appearance of the film

The thickness of all the formulations ranged between 0.19±0.0043 and 0.26±0.0024, indicating consistency in film uniformity. The surface pH of the films was found to be between 6.72 and 7.35, which is close to neutral, suggesting that the films are unlikely to cause any irritation to the oral mucosa (Table 3).

Table 3: Thickness, surface pH of formulations

Formulation Code

Thickness (mm)

Surface pH

Folding Endurance

F1

0.21 ± 0.0016

6.83 ± 0.0233

>150

F2

0.19 ± 0.0043

6.72 ± 0.0109

>150

F3

0.24 ± 0.0019

6.91 ± 0.0031

>150

F4

0.20 ± 0.0094

7.21 ± 0.1029

>150

F5

0.22 ± 0.0014

6.81 ± 0.0300

>150

F6

0.25 ± 0.0070

6.96 ± 0.0200

>150

F7

0.23 ± 0.0018

6.74 ± 0.0529

>150

F8

0.25 ± 0.0012

7.35 ± 0.1500

>150

F9

0.26 ± 0.0024

6.59 ± 0.1029

>150

The films underwent folding endurance testing to assess their flexibility. All formulations demonstrated a folding endurance greater than 150, indicating that the films possessed good flexibility and could withstand mechanical stress. Moisture loss studies (Table 4) revealed that formulation F9 had the highest moisture loss, while formulation F2 exhibited the lowest. The drug content across the formulations ranged from 92.73 ± 0.19% to 98.78 ± 0.64% (Table 4), which falls within the acceptable range, confirming uniform drug distribution.

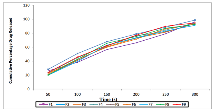
In-vitro disintegration time studies (Table 4) indicated that all films formulated with various grades of HPMC E V disintegrated in under 50 seconds, which is within acceptable limits. An ideal fast mouth dissolving film requires balanced tensile strength and adequate elongation. Dissolution studies showed rapid drug release from all formulations, with more than 90% of Losartan Potassium released within 5 minutes. Among them, formulation F2 demonstrated the highest release (98.73%) within 5 minutes.

Considering drug release, drug content, and disintegration time, formulation F2 was identified as the most suitable and was chosen for stability studies. The results showed no significant changes in evaluation parameters before and after storage, all remaining within acceptable limits. The formulations exhibited good physical stability when stored at 40°C and 75% relative humidity. The data are presented in Table 5.

Table 4: Moisture loss, drug content and in vitro disintegration time, Tensile Strength and elongation of the formulations

Formulation Code

Moisture Loss

Drug Content

In Vitro Disintegration Time (sec)

Tensile Strength

Elongation (%)

F1

1.88 ± 0.34

96.46 ± 0.50

24

18.07 ± 0.2421

28.43 ± 0.9132

F2

1.37 ± 0.12

98.78 ± 0.64

20

14.20 ± 1.0201

21.10 ± 1.5300

F3

2.37 ± 0.28

95.81 ± 0.91

26

17.43 ± 0.0266

30.50 ± 1.6033

F4

2.21 ± 0.14

97.52 ± 1.20

25

17.81 ± 0.1532

21.84 ± 1.2833

F5

2.50 ± 0.46

94.62 ± 3.84

30

18.16 ± 0.2700

24.40 ± 0.4300

F6

2.58 ± 0.15

93.82 ± 0.88

32

18.59 ± 0.4132

19.58 ± 2.0366

F7

2.56 ± 0.22

96.93 ± 1.49

36

16.48 ± 0.2900

26.98 ± 0.4300

F8

2.88 ± 0.28

95.41 ± 0.54

38

17.54 ± 0.0632

29.43 ± 1.2466

F9

3.10 ± 0.14

92.73 ± 0.19

42

17.91 ± 0.1865

29.01 ± 1.1066

The in vitro drug release profiles of all the formulations is shown in (Figure 2).

Figure 2: In vitro drug release profiles of formulations F1 – F9

Table 5: Stability studies of the best formulation

Time (days)

Physical Appearance

Folding Endurance

Surface pH

Drug Content (%)

Drug Release (%)

0

No change

154–157?±?1.2

6–7

97.02?±?1.3

98.73?±?1.6

45

No change

151–153?±?1.1

6–7

96.43?±?1.0

96.78?±?1.1

The in vitro dissolution profile of the marketed Losartan Potassium product (LOSAR-25) is illustrated in Figure 3. The results indicate that formulation F2 achieved 98.73% drug release within 5 minutes, whereas the marketed product LOSAR-25 released 90.76% of the drug over a period of 30 minutes.

Figure 3: The in vitro drug release profile of marketed product LOSAR 25

The surface morphology of the selected film, F2, was examined using SEM to assess drug distribution. The analysis clearly showed that formulation F2 exhibited a uniform dispersion of the drug, as illustrated in Figure 4.

Figure 4: SEM image of the Formulation F2

CONCLUSION:

Losartan Potassium fast dissolving films were specifically developed as a novel drug delivery system aimed at overcoming the limitations associated with the drug’s extensive first-pass metabolism and inherently low oral bioavailability. By formulating the drug into a fast dissolving film, the intention was to facilitate rapid absorption through the oral mucosa, thereby potentially enhancing therapeutic efficacy and achieving quicker onset of action. Comprehensive in vitro evaluations revealed that the formulation exhibits promising physicochemical stability, satisfactory mechanical properties, and efficient drug release profiles, all of which support its potential utility in clinical applications. Nevertheless, while the in vitro data are encouraging and provide a strong foundation for further development, it remains imperative to conduct extensive in vivo studies. These investigations are necessary to validate the observed in vitro performance, confirm the pharmacokinetic advantages, and ensure the overall safety, efficacy, and patient acceptability of this drug delivery approach.

REFERENCES

  1. Brahmankar DM, Jaiswal SB. Biopharmaceutics and Pharmacokinetics Treatise Vallabh Prakashan, New Delhi. , 2009; 2(1): 464-66.
  2. Jitendra P, Patel KR, Patel NM. Review on Fast Dissolving Film: International Journal of Universal Pharmacy and Bio Sciences 2013; 2(1):2319-8141.
  3. Mahajan A, Chhabra N, Aggarwal G. Formulation and Characterization of Fast Dissolving Buccal Films: A Review, Scholars Research Library. 2011; 3(1): 152-165
  4. Indian pharmacopoeia. Controller of Publications. Ministry of health and family welfare. Government of India, Delhi. 1996; 2: 144-46
  5. Desu P, Sahu.M. Formulation and Evaluation of Fast Dissolving Film of Zolmitriptan: IRJP 2012; 3(5): 373-76
  6. Thakur RR, Narwal S. Orally Disintegrating Preparations Recent Advancement In Formulation and Technology: Journal of Drug Delivery & Therapeutics 2012; 2(3): 87-96.
  7. Patil SL. Fast Dissolving Oral Films: An Innovative Drug Delivery System International Journal of Research and Reviews in Pharmacy and Applied science 2012;482-96
  8. Kalyan S, Bansal M. Recent Trends in the Development of Oral dissolving Film International Journal of Pharm Tech Research 2012; 4(2): 725-33.
  9. Panda BP, Dey NS, Rao MEB. Development of Orally Disintegrating Film Dosage Forms; a Review International Journal of Pharmaceutical Science and Nanotechnology 2012; 5(2): 1666-74.
  10. Siddiqui N M, Sharma PK. A Short Review on A Novel Approach in Oral Fast Dissolving Drug Delivery System and Their Patents Advances in Biological Research 2011; 5(6): 291-303.
  11. Arun A, Amrish C, Vijay S, Kamla P. Fast Dissolving Oral Films An Innovative Drug Delivery System and Dosage Form; International Journal of Chem Tech Research 2010; 2(1): 576-83.
  12. Parmar D, Patel U, Bhimani B, Tripathi A. Orally Fast Dissolving Films as Dominant Dosage Form for Quick Release, International Journal of Pharmaceutical Research and Bioscience 2012; 1(3): 27- 41
  13. Khatoon N, Rao NR and Reddy BM: Formulation and evaluation of oral fast dissolving films of montelukast sodium. Int J Pharm Sci Res 2014; 5(5): 1780-87.
  14. Saadya AT, Mohamed AEN, Maha MA and Mohamed HAG: sumatriptan succinate sublingual fast dissolving thin films: formulation and in-vitro / in-vivo evaluation. Pharmaceutical development and technology 2016; 21(3): 328-37.
  15. Irfan M, Rabel S, Bukhtar Q, Qadir MI, Jabeen F and Khan A: Orally disintegrating films: a modern expansion in drug delivery system. Saudi Pharmaceutical Journal 2016; 24(5): 537-46.
  16. Sayed HA, Mahmoud EB and Mohamed AI: Design, formulation and characterization of fast dissolving films containing dextromethorphan. Digest Journal of Nanomaterial’s & Biostructures 2014; 9(1): 133-141.
  17. Kai BL, Yvonne TFT and Kok KP: Characterization of oral disintegrating film containing donepezil for Alzheimer disease. AAPS Pharm Sci Tech 2012; 13(1): 134-42.
  18. Takeuchi Y, Umemura K, Tahara K and Takeuchi: Formulation design of Hydroxypropyl cellulose films for use as orally disintegrating dosage forms. Journal of Drug Delivery Science and Technology 2018; 46: 93-100.
  19. Francesco C, Irma EC, Paola M, Francesca S and Luisa M: Fast dissolving films made of maltodextrins. European Journal of Pharmaceutics and Biopharmaceutics 2008; 70(3): 895-900.

Reference

  1. Brahmankar DM, Jaiswal SB. Biopharmaceutics and Pharmacokinetics Treatise Vallabh Prakashan, New Delhi. , 2009; 2(1): 464-66.
  2. Jitendra P, Patel KR, Patel NM. Review on Fast Dissolving Film: International Journal of Universal Pharmacy and Bio Sciences 2013; 2(1):2319-8141.
  3. Mahajan A, Chhabra N, Aggarwal G. Formulation and Characterization of Fast Dissolving Buccal Films: A Review, Scholars Research Library. 2011; 3(1): 152-165
  4. Indian pharmacopoeia. Controller of Publications. Ministry of health and family welfare. Government of India, Delhi. 1996; 2: 144-46
  5. Desu P, Sahu.M. Formulation and Evaluation of Fast Dissolving Film of Zolmitriptan: IRJP 2012; 3(5): 373-76
  6. Thakur RR, Narwal S. Orally Disintegrating Preparations Recent Advancement In Formulation and Technology: Journal of Drug Delivery & Therapeutics 2012; 2(3): 87-96.
  7. Patil SL. Fast Dissolving Oral Films: An Innovative Drug Delivery System International Journal of Research and Reviews in Pharmacy and Applied science 2012;482-96
  8. Kalyan S, Bansal M. Recent Trends in the Development of Oral dissolving Film International Journal of Pharm Tech Research 2012; 4(2): 725-33.
  9. Panda BP, Dey NS, Rao MEB. Development of Orally Disintegrating Film Dosage Forms; a Review International Journal of Pharmaceutical Science and Nanotechnology 2012; 5(2): 1666-74.
  10. Siddiqui N M, Sharma PK. A Short Review on A Novel Approach in Oral Fast Dissolving Drug Delivery System and Their Patents Advances in Biological Research 2011; 5(6): 291-303.
  11. Arun A, Amrish C, Vijay S, Kamla P. Fast Dissolving Oral Films An Innovative Drug Delivery System and Dosage Form; International Journal of Chem Tech Research 2010; 2(1): 576-83.
  12. Parmar D, Patel U, Bhimani B, Tripathi A. Orally Fast Dissolving Films as Dominant Dosage Form for Quick Release, International Journal of Pharmaceutical Research and Bioscience 2012; 1(3): 27- 41
  13. Khatoon N, Rao NR and Reddy BM: Formulation and evaluation of oral fast dissolving films of montelukast sodium. Int J Pharm Sci Res 2014; 5(5): 1780-87.
  14. Saadya AT, Mohamed AEN, Maha MA and Mohamed HAG: sumatriptan succinate sublingual fast dissolving thin films: formulation and in-vitro / in-vivo evaluation. Pharmaceutical development and technology 2016; 21(3): 328-37.
  15. Irfan M, Rabel S, Bukhtar Q, Qadir MI, Jabeen F and Khan A: Orally disintegrating films: a modern expansion in drug delivery system. Saudi Pharmaceutical Journal 2016; 24(5): 537-46.
  16. Sayed HA, Mahmoud EB and Mohamed AI: Design, formulation and characterization of fast dissolving films containing dextromethorphan. Digest Journal of Nanomaterial’s & Biostructures 2014; 9(1): 133-141.
  17. Kai BL, Yvonne TFT and Kok KP: Characterization of oral disintegrating film containing donepezil for Alzheimer disease. AAPS Pharm Sci Tech 2012; 13(1): 134-42.
  18. Takeuchi Y, Umemura K, Tahara K and Takeuchi: Formulation design of Hydroxypropyl cellulose films for use as orally disintegrating dosage forms. Journal of Drug Delivery Science and Technology 2018; 46: 93-100.
  19. Francesco C, Irma EC, Paola M, Francesca S and Luisa M: Fast dissolving films made of maltodextrins. European Journal of Pharmaceutics and Biopharmaceutics 2008; 70(3): 895-900.

Photo
Devesh Kolte
Corresponding author

Vighnaharata Trust Shivajirao S. Jondhle College of Pharmacy, Asangaon, Shahapur, Thane, Maharashtra 421601

Photo
Tejashree Kuwlekar
Co-author

Vighnaharata Trust Shivajirao S. Jondhle College of Pharmacy, Asangaon, Shahapur, Thane, Maharashtra 421601

Photo
Shravani Lokhande
Co-author

Vighnaharata Trust Shivajirao S. Jondhle College of Pharmacy, Asangaon, Shahapur, Thane, Maharashtra 421601

Photo
Aishwarya Manthal
Co-author

Vighnaharata Trust Shivajirao S. Jondhle College of Pharmacy, Asangaon, Shahapur, Thane, Maharashtra 421601

Photo
Shivani Mhasal
Co-author

Vighnaharata Trust Shivajirao S. Jondhle College of Pharmacy, Asangaon, Shahapur, Thane, Maharashtra 421601

Photo
Akash Nalawade
Co-author

Vighnaharata Trust Shivajirao S. Jondhle College of Pharmacy, Asangaon, Shahapur, Thane, Maharashtra 421601

Photo
Swati Wakchoure
Co-author

Vighnaharata Trust Shivajirao S. Jondhle College of Pharmacy, Asangaon, Shahapur, Thane, Maharashtra 421601

Devesh Kolte, Tejashree Kuwlekar, Shravani Lokhande, Aishwarya Manthal, Shivani Mhasal, Akash Nalawade, Swati Wakchoure, Formulation And Evaluation of Mouth Dissolving Film of Losartan Potassium, Int. J. of Pharm. Sci., 2025, Vol 3, Issue 7, 2739-2749. https://doi.org/10.5281/zenodo.16153167

More related articles
Artificial Intelligence in Drug Discovery: Applica...
Aarya Gawali , Unnati Patil, Monali Gangurde , Ravina Khandekar ,...
Uterine Fibroids: From Pathogenic Signalling and M...
Dr. Subashini R, Abinaya S, Anupama Sankar, Christy Immaculate J,...
A Review Article on Tablet Defects and Their Remed...
Sofiya Pathan, Asmita Ingale, Vidya Kapse, Dr. V. M. Dharashive, ...
Development and Validation of RP-HPLC Method for the Simultaneous Estimation of ...
Dattatray Yadav, Dr. Deepak Kardile, Dr. Vishwas Bhagat, Tushar Shinde, Dr. Rajkumar Shete, ...
Related Articles
Holistic Management of Pediatric ENT Diseases: Integrating Embryology, Clinical ...
Dr. Srinivas Babu Kathi, Dr. Kavya Boini, Dr. Nagavath Swetha, Dr. Gangadari Srilekha, Dr. Budharapu...
Swasthya Chatushtaya and Yoga: Achieving Complete Health...
Dr. Shilpa Kumari, Dr. Anupam Pathak, Dr. Sudesh Kumar Bhambu, ...
AI-Powered Pharmacovigilance: Revolutionizing Drug Safety and Signal Detection...
Rutuja Aher, Pratiksha Bairagi, Prerna Pawar, Mayuri Sali, Dr. M. R. N Shaikh, ...
Formulation and Evaluation of Herbal Hair Serum...
Yashraj Khanvilkar , Sakshi Kodre , Shraddha Kamble, ...
Artificial Intelligence in Drug Discovery: Applications, Challenges, and Future ...
Aarya Gawali , Unnati Patil, Monali Gangurde , Ravina Khandekar , Snehal Ukhade , ...
More related articles
Artificial Intelligence in Drug Discovery: Applications, Challenges, and Future ...
Aarya Gawali , Unnati Patil, Monali Gangurde , Ravina Khandekar , Snehal Ukhade , ...
Uterine Fibroids: From Pathogenic Signalling and Molecular Classification to Pre...
Dr. Subashini R, Abinaya S, Anupama Sankar, Christy Immaculate J, Abitha P, ...
A Review Article on Tablet Defects and Their Remedies...
Sofiya Pathan, Asmita Ingale, Vidya Kapse, Dr. V. M. Dharashive, ...
Artificial Intelligence in Drug Discovery: Applications, Challenges, and Future ...
Aarya Gawali , Unnati Patil, Monali Gangurde , Ravina Khandekar , Snehal Ukhade , ...
Uterine Fibroids: From Pathogenic Signalling and Molecular Classification to Pre...
Dr. Subashini R, Abinaya S, Anupama Sankar, Christy Immaculate J, Abitha P, ...
A Review Article on Tablet Defects and Their Remedies...
Sofiya Pathan, Asmita Ingale, Vidya Kapse, Dr. V. M. Dharashive, ...